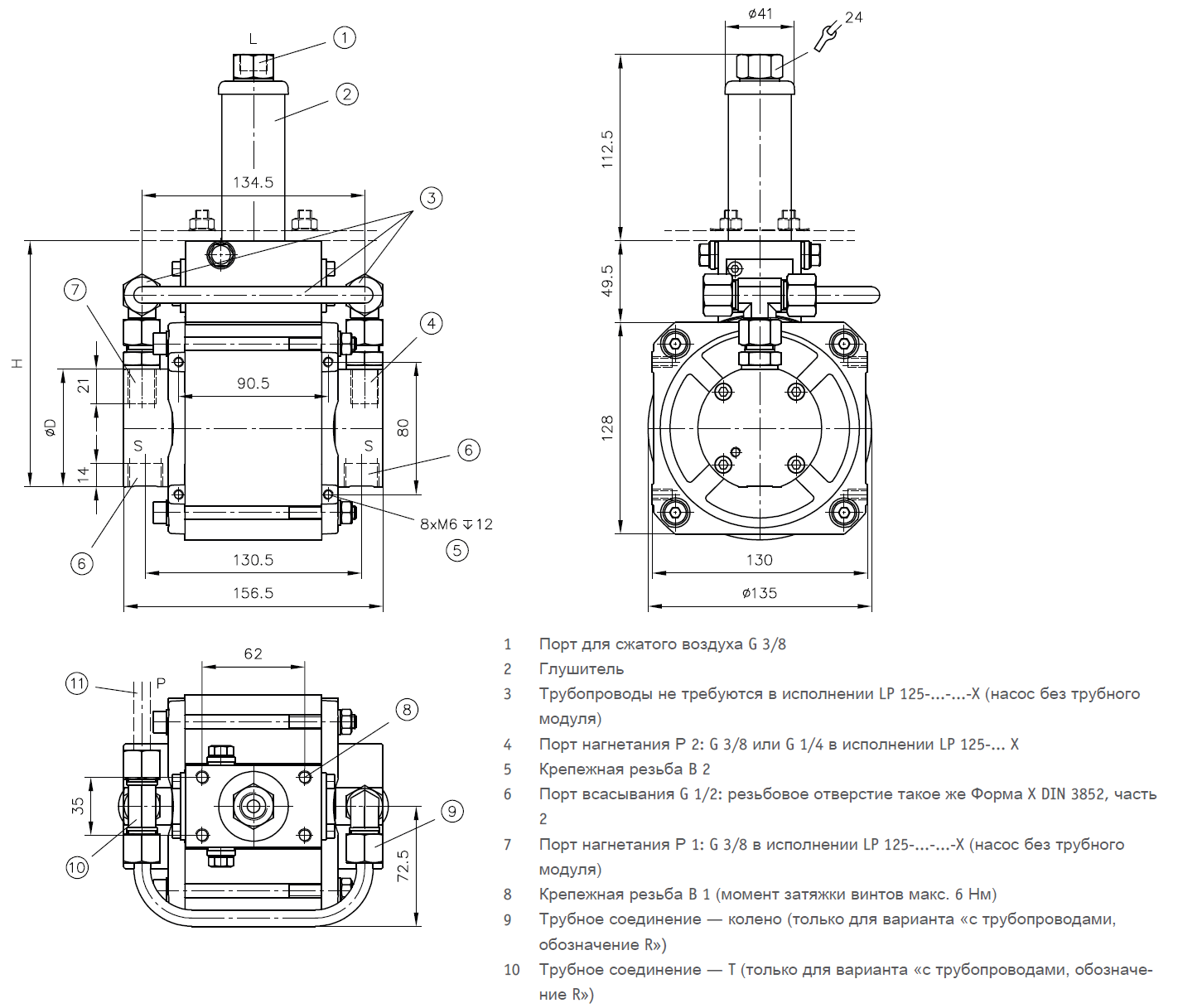
Гидравлические агрегаты с пневмоприводом представляют собой плунжерные насосы попеременной подачи с пневматическим приводом. Они работают как пневматический преобразователь давления с колебательным движением и автоматическим реверсивным управлением. Гидравлический насос с пневмоприводом типа LP может генерировать рабочее давление до 700 бар. Производительность зависит от настроенного давления воздуха и в настоящий момент действующего гидравлического противодавления. Она может падать до состояния останова насоса. Насос перезапускается автоматически, как только снизится гидравлическое давление у потребителя (поддержание напора).


